პროდუქტები
12KV გარე ბოძზე დამონტაჟებული ამომრთველი
  • 12KV გარე ბოძზე დამონტაჟებული ამომრთველი12KV გარე ბოძზე დამონტაჟებული ამომრთველი
  • 12KV გარე ბოძზე დამონტაჟებული ამომრთველი12KV გარე ბოძზე დამონტაჟებული ამომრთველი
  • 12KV გარე ბოძზე დამონტაჟებული ამომრთველი12KV გარე ბოძზე დამონტაჟებული ამომრთველი

12KV გარე ბოძზე დამონტაჟებული ამომრთველი

Model:ZW20-12F
Anqiang Power არის ჩინეთის მწარმოებელი 12 კვ გარე ბოძზე დამონტაჟებული ამომრთველების. გარე ბოძზე დამაგრებულ ელექტროგადამცემ მოწყობილობას აქვს ნომინალური ძაბვა 12 კვ და მუშაობს სამფაზიან AC 50Hz-ზე. მას აქვს შესანიშნავი ხელახალი დახურვის შესაძლებლობები კონტროლერთან გამოყენებისას, რომელიც აკმაყოფილებს განაწილების ავტომატიზაციის სისტემების მოთხოვნებს. იგი ძირითადად გამოიყენება დატვირთვის დენების და მოკლე ჩართვის დენების ჩართვისა და გამორთვისთვის 10 კვ ენერგოსისტემებში და გამოიყენება ქვესადგურებში და სამრეწველო და სამთო საწარმოების გამანაწილებელ სისტემებში.

Anqiang-ის მიერ წარმოებული ZW20-12F 12KV გარე ბოძზე დამონტაჟებული ამომრთველი შეუფერხებლად აერთიანებს ვაკუუმური ამომრთველის, გადახურვისა და სექციალიზატორის ფუნქციებს.  მისი აღჭურვილობის შიგთავსი იყენებს Toshiba-ს VSP5-ის გაზზე დალუქულ, აფეთქების საწინააღმდეგო და საიზოლაციო სტრუქტურის ტექნოლოგიას. შემომავალი და გამავალი ხაზის მილები ასევე გაუმჯობესებულია დალუქვის უკეთესი მუშაობისთვის. ზამბარის მოქმედების მექანიზმი მინიატურირებულია, ხოლო მთავარ წრედს აქვს დაბალი კონტაქტის წინააღმდეგობა. ამიტომ, ეს გარე მაღალი ძაბვის ამომრთველი არის პროდუქტი, რომელიც არ საჭიროებს ტექნიკურ მოვლას და სასურველი არჩევანია ბოძზე დამონტაჟებული ამომრთველებისთვის.

პროდუქტის რეალური ფოტოები

12KV Outdoor Pole Mounted Circuit Breaker

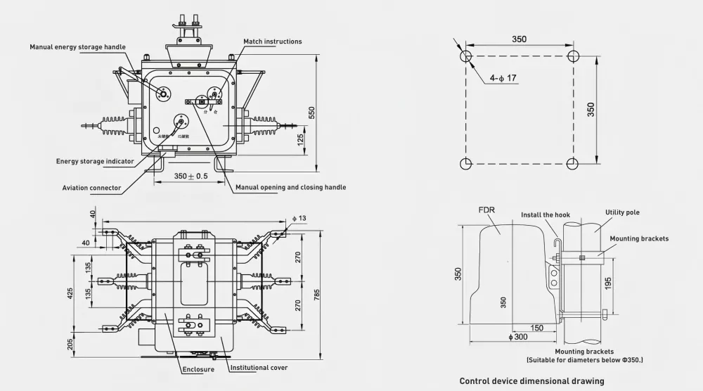
პროდუქტის ზომების დიაგრამა

12KV Outdoor Pole Mounted Circuit Breaker

ტექნიკური პარამეტრები

პროექტი

პარამეტრის მნიშვნელობა

ნომინალური ძაბვა

12 კვ

რეიტინგული სიხშირე

50 ჰც

რეიტინგული დენი

630/1000 ა

რეიტინგული მოკლე ჩართვის გაწყვეტის დენი

20/25 კA

რეიტინგული პიკი გაუძლოს დენი

50/63 კA

რეიტინგული მოკლევადიანი გაუძლო დენი

20/25 კA

მოკლე ჩართვის რეიტინგული დენი

50/63 კA

შეფასებული ოპერაციული თანმიმდევრობა

გახსნა - 0.3 წამი - დახურვა - 180 წამი - გახსნა - დახურვა

მექანიკური სიცოცხლე

10000 ჯერ

შეფასებული მიმდინარე წყვეტის ციკლები

10000 ჯერ

მოკლე ჩართვის რეიტინგული სიმძლავრე

30 ჯერ

SF6 გაზის ნომინალური წნევა

0 მპა


პროდუქტის უპირატესობები

ეს 12 კვ გარე ბოძზე დამონტაჟებული ამომრთველი აღჭურვილია ჭარბი დენისგან დაცვისა და მექანიზმის ენერგიის შენახვის ინდიკატორით.  იგი ასევე აღჭურვილია საავიაციო კონექტორით მეორადი ელექტრული კავშირებისთვის, რაც ხელს უწყობს ინტელექტუალურ კონტროლერებთან ინტეგრაციას. მისი შესანიშნავი ელექტრო და მექანიკური შესრულება ხდის ZW20-12F გარე ბოძზე დამაგრებულ ვაკუუმ ამომრთველს ფართოდ გამოყენებადს.


ცხელი ტეგები: 12KV გარე ბოძზე დამონტაჟებული ამომრთველი, გარე ელექტრული ამომრთველი, მაღალი ძაბვის ამომრთველი მწარმოებელი
გამოკითხვის გაგზავნა
Საკონტაქტო ინფორმაცია
  • მისამართი

    ჯინლუს ინდუსტრიული ზონა, ქალაქი ბეიბაიქსიანგ, ქალაქი იუეკინგი, ქალაქი ვენჟოუ, ჟეჯიანგის პროვინცია, ჩინეთი

  • ტელ

  • ელ.ფოსტა

    john@chaqele.com

ამომრთველის, ჩატვირთვის გადამრთველის, გათიშვის ამომრთველის ან ფასების სიის შესახებ შეკითხვებისთვის, გთხოვთ, დაგვიტოვოთ თქვენი ელფოსტა და ჩვენ დაგიკავშირდებით 24 საათის განმავლობაში.
ახალი ამბების რეკომენდაციები
X
ჩვენ ვიყენებთ ქუქიებს, რათა შემოგთავაზოთ დათვალიერების უკეთესი გამოცდილება, გავაანალიზოთ საიტის ტრაფიკი და კონტენტის პერსონალიზაცია. ამ საიტის გამოყენებით თქვენ ეთანხმებით ჩვენს მიერ ქუქიების გამოყენებას. კონფიდენციალურობის პოლიტიკა
უარყოფა მიღება